
안녕하세요!! 황뱅크입니다.
최근 컴퓨터 부품들을 드래곤볼 하면서 이리저리 업그레이드를 했는데요! 최종적으로 가성비 좋다는 메인보드를 업그레이드하게 되었습니다.
이제 한동안은 업그레이드를 하지 않고 쭉 사용하게 될 거 같네요. ㅎㅎ
제가 이번에 사용하게 된 ASUS TUF Gaming B550M-PLUS WiFi II STCOM 컴퓨터 메인보드 주요 사양들을 자세하게 정리해 봤습니다.
ASUS TUF Gaming B550M-PLUS WiFi II STCOM 컴퓨터 메인보드
가성비 좋기로 유명한 ASUS TUF GAMING B550M-PLUS STCOM 메인보드에서 와이파이 6 + 블루투스 5.2 추가되었고, 오디오 칩셋만 Realtek ALC S1200A -> Realtek ALC897 변경 다운그레이드되었습니다. 캐패시터가 5개에서 4개로 줄어든 제품들을 봤는데, 제 것은 5개 그대로네요. ㅎㅎ 아마 시간이 지나면 4개로 줄어든 제품들을 만나보게 될듯합니다.
아무튼 제품의 주요 스펙과 각종 정보를 취합해 봤습니다.
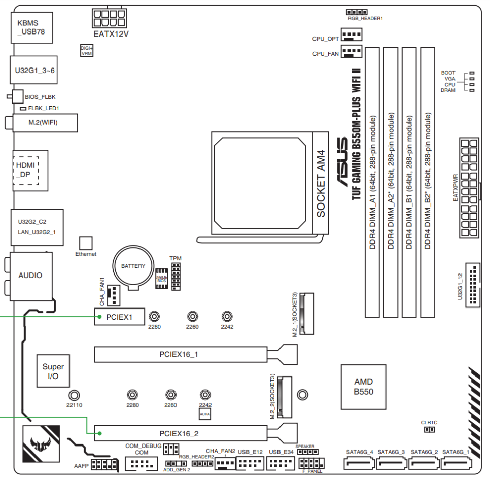
[주요 상세 스펙]
AMD(소켓 AM4) / AMD B550(방열판 O) / M-ATX (24.4x24.4cm) / 전원부 : 8+2 DrMOS 페이즈 (방열판 O) / Vcore 출력 : 최대 400A(50A) / 메모리 DDR4 3200Mhz 기본 지원 / OC ~ 4866MHz (PC4-38900) / 메모리 최대 4개, 용량 : 최대 128GB / 확장슬롯 VGA 연결 : PCIe4.0 x16(at x 16) / PCIe3.0x16(at x4) : 1개 / PCIe3.0x1 : 1개 / CrossFire X / 저장 장치 총 6개 동시 사용 가능 / SATA3 : 4개 / M.2 NVMe PCie4.0 x 4 1개 (방열판 X) / M.2 NVMe PCie3.0 x 4 1개 (방열판 O) / PCIe / 후면 단자 HDMI / DP / USB 3.2 Gen 2 Type-A & Type-C / USB 3.0 / USB 2.0 / S/PDIF / 오디오 잭 / PS/2 / RJ-45 랜 1개 Realtek RTL8125B 최대 2.5기가 비트 / 무선 LAN WiFi 6 (802.11 ~ac/ax) / 블루투스 5.2 / 오디오 Realtek ALC S1200A -> Realtek ALC897 변경 다운 / 7.1채널(8ch) / 내부 I/O 12v RGB 헤더(4핀) : 2개 / 5v ARGB 헤더(3핀) : 1개 / 시스템 팬 헤더(4핀) : 2개 / 선더볼트 3 헤더 : 1개 / USB2.0 헤더 : 2개 / USB3.0 헤더 : 1개 / 전면 USB C 타입 미지원 (연장선 사용 시 해결) / 특징 UEFI / Dr.MOS / LED 라이트 / LED 헤더 / M.2 히트싱크 / TPM 헤더 / 3년 무상 as
[메인보드 공식 홈페이지]
TUF GAMING B550M-PLUS WIFI II - Tech Specs|Motherboards|ASUS Global
4 x DIMM, Max. 128GB, DDR4 4866(OC)/4800(OC)/4600(OC)/4466(OC)/4400(OC)/4333(OC)/4266(OC)/4200(OC)/4133(OC)/4000(OC)/3866(OC)/3733(OC)/3600(OC)/3466(OC)/3400(OC)/3333(OC)/3200/3000/2933/2800/2666/2400/2133, Un-buffered Memory* Dual Channel Memory Architect
www.asus.com
소프트웨어 지원
★ Armoury Crate 소프트웨어 - 메인보드 전체 기본 설정 관리 & 메인보드 각종 드라이버 및 유틸리티 소프트웨어 설치 가능 & 바이오스 업데이트 등



★ AI Suite 3 유틸리티 - 시스템의 다양한 기능 제어 + 팬 속도 조절




★ Exclusive DTS Custom for GAMING Headsets
DTS CUSTOM - 헤드셋에 DTS 커스텀 기능으로 USB 및 3.5mm 헤드셋을 연결하면 적용할 수 있는 DTS 급 음향 효과를 사용할 수 있습니다.
DTS 커스텀은 고급 에뮬레이션 기술을 사용하여 스테레오 헤드폰을 통해 위치 신호를 생성하여 선명하고 고품질의 사운드를 들려줍니다.
Aerial(공중), Soundscape(사운드스케이프), Tactical(전술적) 3가지 사전 설정을 통해 각 게임 장르에 맞게 적용하여 깨끗한 사운드를 청취할 수 있습니다.
각 설정마다 EQ 설정이 따로 조절 가능하지만 설정 가능한 EQ 영역이 고작 5개밖에 안되기에 개인적으로 비추천입니다.
혹시나 자동으로 설치가 안 되는 경우 드라이버 파일 중에서 Realtek_Audio_Driver 폴더 안을 찾아보면 UWP 폴더 안에 DTSC 폴더에서 AsusSetup.exe를 따로 실행 주시면 됩니다.


메인보드 소개 및 설명





[구성품]
메인보드, M.2 SSD 나사 패키지 2개, M.2 고무 패키지, I/O 실드 백패널, SATA 케이블 2개, ASUS Wi-Fi 이동 안테나, 설명서 및 TUF 게임 스티커





메인보드 정면 및 옆면 사진들
ASUS TUF 보호
- DIGI+ VRM (DrMOS를 사용한 디지털 전원 설계)
- 향상된 DRAM 과전류 보호
- ESD 가드
- TUF 랜가드
- 과전압 보호
- 세이프 슬롯
- 스테인리스 스틸 후면 I/O
★ mATX Form Factor - 9.6inch x 9.6 inch (24.4cm x 24.4cm)
★ LPCIO 칩 - Nuvoton NCT6798D-R (2116b121 120a7cfc)
하드웨어의 모니터링을 위한 Super IO 칩셋입니다.

★ 오디오 Realtek ALC S1200A -> WiFi 2 버전에서 Realtek ALC897 7.1채널(8ch)변경 다운그레이드 됨.
(캐패시터 5개에서 4개로 1개 줄어들었지만 저는 운 좋게 5개짜리가 왔습니다. ^^)
최대 24비트/192kHz 재생 지원

양방향 AI 소음 제거 소프트웨어는 ASUS 마더보드에만 제공되며 3.5mm, USB 또는 Bluetooth 헤드셋을 지원합니다.

S1200A는 게이밍에 더 특화되어 있다고 하지만 저처럼 평범한 사람은 887 & 897칩셋으로도 큰 문제가 없습니다.
S1200A와 ALC887 칩셋의 차이는 12dB 차이네요!
민감하신 분들은 사운드카드를 따로 준비하셔야 할듯합니다.
오디오 칩셋이 다운그레이드 되면서 캐페시터가 4개로 줄어들었던데 제 것은 5개 그대로입니다. ㅎㅎ
프리미엄 일본산 오디오 캐패시터를 통해 따뜻한 음색, 탁월한 선명도로 현실에 가까운 사운드를 제공합니다.

7.1 Surround Sound High Definition Audio CODEC
(오디오 잭 5개 + Optical S/PDIF 디지털 오디오 광출력 단자 1개)
7.1채널 지원 오디오 - 2채널 헤드셋을 사용할 때와 4채널, 5.1 채널, 7.1 채널 단자 설명입니다.
보통은 녹색 라인 아웃에 스피커, 핑크색에 마이크를 사용합니다. 파란색은 라인 인 연결
소프트웨어 방식으로 잡음 제거 프로그램 AI NOISECANCELLING 기능 제공


프로그램이 이상한 것인지 케이스가 유별난 것인지 3.5mm 전면 패널 이어폰 이용 시 설정이 좀 이상해서 참고 자료로 넣었습니다.
전면판 잭 탐지 사용 중지 - 켬
장치 고급 설정 -> 재생장치 = 전면 및 후면 출력 장치를 2개의 다른 오디오 스트림으로 동시에 재생하도록 하십시오. / 녹음장치 = 모든 입력 잭을 독립적인 입력 장치로 분리합니다.
참고해서 설정하시고 스피커로 들을 때는 스피커에 체크를 하고 3.5mm 헤드셋으로 연결할 때는 Realtek HD Audio 2nd output에 체크하고 사용하시면 됩니다.
DTS 사운도 효과적용으로 EQ 설정을 디테일하게 못하게 되었네요!! ㅡㅡ;;
일반 eq 설정이 DTS 사운드 효과 설정보다 더 디테일하게 가능합니다.
dts만 따로 삭제가 가능한지 확인해 봐야겠네요. 확인은 댓글로 ㅎㅎ
★ 팬 관련
[보통 메인 CPU 쿨러(기본, 타워형 공랭, 수랭) 및 기타 팬들의 전원 3핀 & 4핀 연결]


CPU Fan 12v 1A 12W = 1개 (shared control, 공유 제어)
CPU OPT Fan 12v 1A 12W = 1개 (shared control, 공유 제어 -> CPU Fan 컨트롤을 그대로 복사함) 보통 일체형 수랭 쿨러의 워터블럭 연결
Chassis Fan 12v 1A 12W = 2개
※ 12v 2a 24w 성능 워터펌프 전용 없음
※ 일반적으로 라디팬은 CPU FAN 단자, 펌프는 OTP & 펌프 & 기타 별도 단자에 장착 (보통 차이는 최대 출력 가능한 W의 차이)
일반적인 FNA단자는 12V 1A 12W 출력이지만 펌프 전용 단자는 12V 2A 혹은 그 이상을 출력하기도 함!
(커스텀수냉으로 12W 이상을 요구하는 경우에는 12w 이상 펌프 전용 포트가 있는지 확인해야 함!)
[보통 120mm, 140mm 등등 공랭 쿨러 및 수랭 쿨러 ARGB 팬들의 컨트롤러 배선을 연결함]



Addressable Gen 2 header = 5v 3핀 1개 (5v 3A 15w) (최대 500개의 LED)
Aura RGB Strip Headers = 12v 4핀 2개 (12v 3A 36w) (보통 120mm, 140mm ARGB 팬들 컨트롤러 연결) ARGB 12v (5050개의 RGB 멀티 컬러 LED 스트립 지원)
ASUS AURA Sync 소프트웨어로 색상과 동작 모드 지정 가능


★ 케이스 I/O 패널 연결 단자
PC 케이스를 조립할 때 컴퓨터 파워 & LED, 리셋, 하드디스크 LED를 연결하는 F_Panel
케이스를 교체하거나 최초 조립할 때 보죠! ㅎㅎ
AAFP - 전면 패널 오디오 헤더 (전면 이어폰, 마이크)

★ USB 포트
[후면] 총 8개
USB 2.0 A 타입 = 2개 (480 Mb/s)
USB 3.2 Gen1 A 타입 = 4개 (5Gb/s)
USB 3.2 Gen2 A 타입 + C 타입 = 각각 1개씩 총 2개 (10Gb/s)
[전면] 총 6개 가능 (보통 케이스에서 기본 제공하는 i/o 포트에 usb 2.0 2개, usb 3.2 1개를 지원하죠!)
USB 3.2 Gen1 A 타입 = 2개 (5Gb/s)
USB 2.0 A 타입 = 4개 (480 Mb/s)
전면 C 타입 미지원 (후면 C 타입 포트에 1m 정도의 연장 케이블을 사용하면 편리합니다.)
★ 내장 그래픽 포트 DP 1.2, HDMI 2.1 (4k@60HZ)
★ Ps/2 키보드 마우스 콤보 포트 1개


★ M.2 NCMe SSD 슬롯 2개 + SATA 포트 4개 = 총 6개 동시 사용 가능
M.2 NVMe PCie4.0 (64GT/s) 1개 (방열판 미 제공) = 3.0 장착 시 3.0 속도로 사용 가능
M.2 NVMe PCie3.0 (32GT/s) 1개 (기본 방열판 제공) = 4.0 장착 시 3.0 속도로 사용 가능
SSD SATA3 (6Gb/s) 4개 = m.2 nvme 슬롯 2개 모두 사용해도 4개 포트 모두 사용 가능
메인 M.2 NVMe에 방열판을 장착해도 VGA 그래픽카드와 간섭이 거의 없는 구조라서 좋습니다. 가끔 메인 소켓이 그래픽 카드 단자 아래쪽에 있어서 방열판 장착에 간섭이 많은 제품들이 보이더군요!
★ 멀티 그래픽카드 지원
PCle 4.0 x 16(x16 mode) 메인 그래픽 카드 장착
세이프 슬롯 사용 (SafeSlot)
PCle 3.0 x 16(x4 mode) 보조 그래픽 카드 장착 (각종 연결 선들 때문에 사실상 거의 사용하기 어렵죠!)
★ PCle 3.0 x 1 슬롯 1개


★ 랜 Realtek RTL8125B 2.5Gb, TUF LANGuard
RTL8125BG L70M3H2 GL30
RJ-45 랜 1개 Realtek RTL8125B
최대 2.5기가 비트

무선 LAN 2x2 Wi-Fi 6(802.11 a/b/g/n/ac/ax) / 블루투스 5.2


★ 메모리 32기가 4개 128gb까지 장착 가능, 3200Mhz까지 기본 장착 가능 그 이상 4600Mhz까지 oc 가능
한 장만 사용할 때는 DIMM_B2 슬롯 사용, 2장을 사용할 때는 DIMM_A2 슬롯에 추가!
연한 회색 슬롯에 먼저 꽂아야 합니다!

AM4 CPU 소켓 및 8+2 DrMOS 페이즈 전원부 (방열판 O)

VRM은 하이사이드 및 로우사이드 MOSFET과 드라이버를 단일 패키지로 결합하는 8+2 DrMOS 전력단을 활용해 발열을 줄였습니다.
그리고 DrMOS에는 방열판도 장착되어 있죠!


TUF 초크로 안정성을 향상시키고 TUF 커패시터로 최대 52% 더 넓은 온도 허용 오차와 2.5배 더 긴 수명을 제공합니다.

VRM HEATSINK
VRM 및 초크 영역을 커버하는 넓은 표면적을 가진 큰 사이즈의 히트 싱크로 발열을 향상시킵니다.
THERMAL PAD
고품질의 써멀 패드는 전원부 및 주요 부품에서 발생하는 열을 히트싱크로 효과적으로 전달하는 데 도움이 됩니다.


저처럼 상단 수랭쿨러 미지원 케이스를 사용할 때 DIY 해서 짭수 2열 수랭 쿨러를 장착할 때 도움이 되시라고 측정해 보았습니다.
참고로 지금 메인보드를 사용해 잘만 N4 CTRL 컴퓨터 케이스에 잘만 Alpha24 2열 수랭 쿨러를 장착하여 사용 중입니다. ㅎㅎ;

B550 칩셋을 사용해 PCIe 4.0 (64GT/s) 대역의 M.2 NVMe SSD를 사용할 수 있습니다.


EPU
통합 DIGI+ VRM 전압 조정기 모듈(VRM)은 업계 최고 중 하나로 CPU에 항상 매우 매끄럽고 깨끗한 전원 공급을 보장합니다.

ESD Guards는 정전기 방전으로 인한 손상을 방지하는 동시에 구성 요소의 수명을 연장하여 최대 +/- 10kV의 공기 방전 및 +/- 6kV의 접촉 방전에 대한 보호 기능을 제공하여 각 산업 표준인 +/- 6kV 및 +/- 4kV.

Debug LED - 시스템 이상을 LED로 바로 확인 가능합니다. 아주 편리하죠!
Q-LED(CPU[빨간색], DRAM[노란색], VGA[흰색], 부팅 장치[노란색])

[TPM 확인 방법]

윈도우 + R 키 = tpm.msc 입력
ASUS TUF Gaming B550M-PLUS WiFi II STCOM 컴퓨터 메인보드
전원부 : 8+2 DrMOS 페이즈 (방열판 O)
2.5기가 비트 랜 + 와이파이 6 + 블루투스 5.2
VGA 연결 : PCIe4.0 x16
M.2 NVMe PCie4.0 x 4 1개 (방열판 X)
M.2 NVMe PCie3.0 x 4 1개 (방열판 O)
5v ARGB 헤더(3핀) : 1개
USB 3.2 Gen 2 Type-A & Type-C (후면 C 타입 포트에 1m 정도의 연장 케이블을 사용하면 전면에서 사용하기 아주 편리합니다.)
꼭 필요한 기능들은 다 있는 아주 마음에 드는 메인보드입니다. ^^
#내돈내산
[메인보드 구매링크]
https://link.coupang.com/a/D3GxW
ASUS TUF Gaming B550M-PLUS WI-FI (STCOM)
COUPANG
www.coupang.com

메인보드 기본 설명 이미지

ASUS TUF GAMING B550M-PLUS 설명 참고
(와이파이 6, 블루투스 5.2, 오디오 칩셋 빼고 동일 사양)
와이파이 6 + 블루투스 5.2 추가되었고, 오디오 칩셋만 Realtek ALC S1200A -> Realtek ALC897 변경 다운그레이드



#Asus #TUF #Gaming #B550 #B550m #plus #wifi #wifi6 #블루투스 #stcom #메인보드 #amd #am4 #정보 #분석
'쇼핑과 리뷰 > IT 제품' 카테고리의 다른 글
| darkFlash DK360 MESH RGB 강화유리 컴퓨터 케이스 (화이트) (0) | 2022.10.24 |
|---|---|
| 가성비 최고 게이밍 마이크 탑재 유선 이어폰!! JBL QUANTUM 50 퀀텀 (FPS 배그용) (0) | 2022.10.20 |
| 잘만 N4 CTRL 컴퓨터 케이스 (6팬 컨트롤러) (0) | 2022.10.03 |
| 엠스톤 M.2 NVMe SSD 구리 히트파이프 방열판 성능 (0) | 2022.10.02 |
| 아트뮤 DP to HDMI 변환 케이블 소개 (0) | 2022.09.28 |

댓글